TALAMEX  "LARGE"  SÄHKÖ - WC   12V

KORKEALAATUINEN TALAMEX SÄHKÖ-WC -12V  ISOLLA KULHOLLA (LARGE)  80115008

Iso valkoinen keraaminen kulho ja 12v pumppu joka hoitaa sekä huuhtelun että jäteveden.
Tehokas pumppu, pumppaa jopa 1,2met. asennustason yläpuolelle.
Pehmeästi sulkeutuva istuin/ kansi ja kulhossa hyvin suunniteltu huuhtelusuutin joka antaa tehokkaan pyörteisen huuhtelun. 
Kiinnitysjalan kiinnitysmitat ovat samat kun mm.  Jabsco, Johnson ja Albin käymälöissä.
Talamex sähkökäymälöissä on 360° kääntyvä poistoputki helpottamassa asennusta
Mukaan tulee sekä 25mm / 38mm poistoliittimet helpottamaan siirtoa manuaali WC  > sähköiseen, koska voi käyttää 38mm tyhjennysletkua edelleen. 

- Talamex sähkö wc valmistetaan neljä eri mallia 
- Isolla kulholla (Large) ja Vakio (Standard) molemmat mallit saa joko 12 / 24V 
- 360° kääntyvä poistoputki
- "Soft close"  istuin ja kansi sulkeutuu äänettömästi.
- Yhdistetty huuhtelu ja tyhjennyspumppu jonka ääntä saatu hiljaisemmaksi.
- Tehokas huuhtelu
- Sileät pinnat auttavat pitämään WC puhtaana ja on hygieeninen käytössä
- Yleismallinen kiinnityskuvio, sopii yleisimpiin merkkeihin 
- Yhden painikkeen käyttöpaneeli 
- Löytyy tarvittaessa varaosia käymälään 

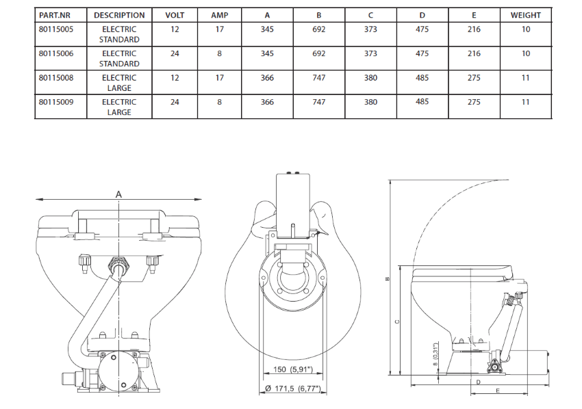
- MITTAPIIRRUSTUS KUVISSA 









TALAMEX "LARGE" SÄHKÖ - WC 12V
80115008

349.00 EUR 380.00 EUR
Hintahistoria
Varastossa 1 kpl